柱式拉力傳感器
BCLT-F型 微型柱式拉壓力傳感器
特點及用途:
尺寸小、拉壓兩用、高精度、高穩定性。
適用于空間有限的單壓力測量場合,大量運用于工業自動化、集成控制系統中。
技術參數:
|
量程 |
10、20、30、50、100、200 kg 300、500、1000、2000 kg |
輸入阻抗 |
385 ±35 Ω |
|
靈敏度 |
1.0-2.0 mv/V |
輸出阻抗 |
350 ± 3 Ω |
|
綜合精度 |
0.1%F·S |
絕緣阻抗 |
≥ 2000 MΩ |
|
蠕變 |
±0.1 %F·S/30min |
激勵電壓 |
5 ~ 12 VDC |
|
非線性 |
±0.05 %F·S |
工作溫度范圍 |
-30 ~ ﹢70℃ |
|
滯后誤差 |
±0.05 %F·S |
允許過負荷 |
120 %F·S |
|
重復性誤差 |
±0.05 %F·S |
密封等級 |
IP65 |
|
零點溫度系數 |
±0.05 %F·S/10℃ |
材質 |
不銹鋼 |
|
輸出溫度系數 |
±0.05 %F·S/10℃ |
線纜 |
Ф3 × 2000 mm |
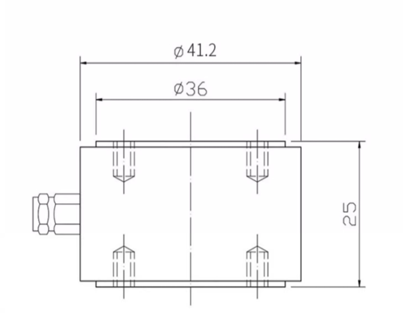
產品尺寸:





