膜盒式稱重測力傳感器
BCM-H3型 平面膜盒式稱重傳感器
特點及用途:
法蘭安裝、低高度、全密封,長期穩定性好。
技術參數:
量程
5、10、20、50、100、200 kg
0.5、1、1.5、2 t
輸入阻抗
735 ± 35 Ω
靈敏度
1.5 ± 0.1 mv/V
輸出阻抗
700 ± 3 Ω
綜合精度
0.1 %F·S
絕緣阻抗
≥ 2000 MΩ
蠕變
±0.05 %F·S/30min
激勵電壓
5 ~ 12 VDC
非線性
±0.05 %F·S
工作溫度范圍
-20 ~ ﹢70℃
滯后誤差
±0.05 %F·S
允許過負荷
120 %F·S
重復性誤差
±0.05 %F·S
密封等級
IP67
零點溫度系數
±0.03 %F·S/10℃
材質
不銹鋼
輸出溫度系數
±0.03 %F·S/10℃
線纜
φ3 × 2000
mm
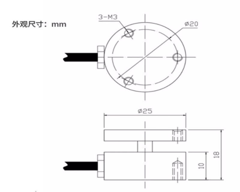
產品尺寸:





