柱式稱重傳感器
BCBT-2型 柱式稱重傳感器
特點及用途:
高穩定性、高可靠性。
適用于料倉秤、配料秤、機電結合稱及其它力值的測量與控制系統等。
技術參數:
|
量程 |
10、20、30、50、100、200 t 300、500、700、1000 t |
輸入阻抗 |
385 ± 35 Ω |
|
靈敏度 |
1.5 ± 0.1 mv/V |
輸出阻抗 |
350 ± 3 Ω |
|
綜合精度 |
0.2 %F·S |
絕緣阻抗 |
≥ 2000 MΩ |
|
蠕變 |
±0.2 %F·S/30min |
激勵電壓 |
5 ~ 12 VDC |
|
非線性 |
±0.1 %F·S |
工作溫度范圍 |
-20 ~ ﹢70℃ |
|
滯后誤差 |
±0.1 %F·S |
允許過負荷 |
120 %F·S |
|
重復性誤差 |
±0.1 %F·S |
密封等級 |
IP66 |
|
零點溫度系數 |
±0.05 %F·S/10℃ |
材質 |
合金鋼 |
|
輸出溫度系數 |
±0.05 %F·S/10℃ |
線纜 |
φ5 x 2000 mm |
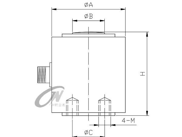
產品尺寸:
|
量程(t) |
H |
ΦA |
ΦB |
ΦC |
SR |
M |
|
10 ~ 30 |
82.5 |
73 |
31.8 |
單孔 |
152 |
M12 |
|
40 ~ 70 |
127 |
105 |
58.7 |
單孔 |
152 |
M12 |
|
100 ~ 300 |
184.2 |
152.4 |
79.2 |
70 |
216 |
M20 |
|
350 ~ 500 |
250 |
168 |
105 |
100 |
230 |
M20 |
|
600 ~ 700 |
269 |
218 |
135 |
130 |
280 |
M24 |
|
1000 |
328 |
270 |
200 |
|
270 |
|





