輪組式張力傳感器
BCHL-M1型 微型張力傳感器
特點及用途:
體積小,安裝方便。
大量應用在紡織、機械行業的細線、布帶張力(拉力)監測等控制系統中。
技術參數:
量程
1、2、5、10、20N
輸入阻抗
385 ± 35 Ω
靈敏度
1.5 ± 0.1 mv/V
輸出阻抗
350 ± 3 Ω
綜合精度
0.1 %F·S
絕緣阻抗
≥ 2000 MΩ
蠕變
±0.05 %F·S/30min
激勵電壓
5 ~ 12 VDC
非線性
±0.05 %F·S
工作溫度范圍
-30 ~
﹢70℃
滯后誤差
±0.05 %F·S
允許過負荷
120 %F·S
重復性誤差
±0.05 %F·S
密封等級
IP66
零點溫度系數
±0.02 %F·S/10℃
材質
鋁合金
輸出溫度系數
±0.02 %F·S/10℃
線纜
φ3 × 2000 mm
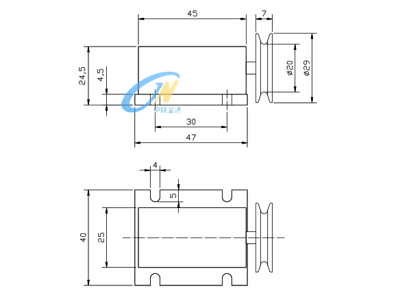
產品尺寸:





